Causes

What could be the reasons why the reverse gear in a VAZ car does not engage? In fact, there can be a lot of them, because the problem with switching gears, one way or another, lies in the transmission system and, in particular, in the gearbox itself.


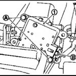
Gear shift lever in a VAZ 2109 car

  • Incomplete release of the clutch. As a rule, if the clutch is not disengaged correctly, all speeds may not engage well, but sometimes this problem affects only the reverse gear.
  • The gearbox drive levers or rods are damaged. The fastening may also be loose. To eliminate such a malfunction, it is necessary to conduct a thorough inspection of the unit and transmission system. If necessary, it is recommended to replace all damaged system components.
  • The lubricant in the gearbox has run out. In this case, the problem with switching gears will affect all gears without exception. Therefore, the likelihood of such a problem, unless only reverse gear is engaged, is very small. As you understand, you should check the level of consumables in the system and, if necessary, add oil to the gearbox.
  • Bad gear oil. The transmission fluid has already lost its properties and cannot fully ensure lubrication of all gearbox components. In this case, the problem will also affect all gears without exception, although in practice there have been cases when problems occurred with engaging the reverse gear. In this case, an oil change will be required.
  • Poorly adjusted rocker: the gearbox rocker cardan needs to be adjusted. Due to poor adjustment of the rocker, the reverse gear sometimes not only does not engage, but also falls out. This problem is one of the most common among VAZ 2109 cars, so we will consider fixing it first.

Manual transmission (manual transmission)

On a manual transmission, you cannot accidentally engage reverse gear in a moving car. Firstly, there are limiters on the lever: you need to press the lever or lift the ring with your fingers. Secondly, the design of the manual transmission allows the gear to be engaged only when the connected gears do not rotate relative to each other. That is, when the car is stopped. An attempt to engage reverse gear in forward gear will result in the transmission crunching and pushing the lever into the neutral position. The gears cannot mesh and are pushed away from each other.

There is a small chance of engaging reverse gear when moving forward if the gearbox is worn out and the driver has too much strength. Then the engine will simply stall, or the wheels will grind backward while the car rolls forward by inertia. Please note that you should not deliberately try to engage the rear on a car that is moving forward! This can lead to chipping of gearbox gear teeth and premature failure.

Fixing the problem

Let's look at several ways to help fix the problem with engaging reverse gear.

Backstage adjustment

Before you begin solving the problem, take with you everything you might need:

  • new gearbox driveshaft;
  • speed selector shaft oil seal;
  • two ring wrenches 13;
  • wrench 10;
  • hammer;
  • screwdriver.

To fully replace the cardan, you will need to drive into a pit or overpass. In addition, you will need an assistant who will shift the gearbox lever while you adjust it.

Let's start replacing the cardan and adjusting the rocker:

  1. You need to crawl under the bottom of the 2109 and find your gearbox. Take two 13mm wrenches and loosen the clamp located on the transmission drive rod. After this, you can remove the drive from the gearbox mechanism rod.
  2. Then take a screwdriver and, with a little force, pull the boot closer to the unit. If you accidentally damage the boot, you can simply dismantle it so that it does not bother you. Now take a 10mm wrench and unscrew the locking screw on the cardan.
  3. Next, take a hammer and very carefully knock the gearbox driveshaft off the shaft. Do this carefully so as not to damage the shaft. Remove the cardan boot if you did not remove it initially. If necessary, replace the speed selector shaft oil seal.
  4. At this point we can consider that half the work has already been done. Now you need to install the driveshaft of the box. We install the element in the reverse order. First, install the new boot in place, and then place the cardan on the shaft. Remember that the position of the retaining screw must coincide with the recess on the shaft.
  5. When the universal joint is in place, tighten the fixing screw and install the boot on the universal joint. You also need to put the gear shift drive rod on the cardan rod, but there is no need to tighten the clamp.
  6. Next, you will need the help of another person, since you need to adjust the gearshift lever. Ask your assistant to sit in the driver’s seat: he should set the gearshift lever to “neutral” and move it slightly to the right. In this position, an assistant should hold the lever while you tighten the cardan clamp.

When the cardan adjustment is completed, you need to check how the speeds on the lever are switched on. If the problem that caused the reverse gear to not engage in your VAZ 2109 was in the cardan, which is most likely, then after replacing the element the fault should disappear.

Changing gearbox oil

Also, one of the common reasons why reverse gear in a VAZ 2109 does not engage is poor gear oil. As stated above, the liquid has already lost its properties and its further use does not make sense. But how do you understand that the transmission fluid has already exhausted its service life? This issue should be taken seriously, because the fluid replacement procedure is not that cheap. Therefore, you need to know for sure that the gear oil has lost its properties.

Causes

The reasons why reverse gear engagement is poor or difficult may be as follows:

  • loosening of the fastening clamp of the rocker, due to which the length of the rod is not enough to fully engage the gear;
  • jamming of the reverse speed lock;
  • spring breakage and debris getting into the guide grooves of the gear selection mechanism;
  • spontaneous loosening of the selection mechanism mounting bolts;
  • the clamp bolt is cut off;
  • wear of the clutch disc and release bearing;
  • incorrect adjustment of the clutch and clutch pedal;
  • low oil level in the box or the need to replace it.

Troubleshooting

Many transmission malfunctions that cause the reverse gear to disappear or fall out can be eliminated without removing the unit from the car.

If the cause is a loosening of the bolt securing the clamp on the rod, then to correct the defect it is necessary:

  1. Place the car on a lift.
  2. Completely loosen the clamp nut.
  3. Place the gearshift lever in the fully engaged reverse gear position.
  4. Fully engage reverse gear at the gearbox using the shift rod on the crankcase.
  5. Tighten the clamp mounting bolt.

Backstage adjustment

If tightening the clamp does not help get rid of the problem, then you need to check the condition of the shift drive parts. One of the reasons why the reverse gear does not engage may be a poorly adjusted rocker.

To make adjustments to the mechanism, you may need the following tools:

  • two wrenches with a size of 13 mm, preferably a socket design;
  • any wrench or 10 mm socket;
  • small hammer;
  • slotted screwdriver.

Since the cause of malfunction of the link can be wear of parts, spare parts may be needed:

  • universal joint of the rocker;
  • Sometimes the shift rod seal may need to be replaced.

Two people are required to adjust the rocker or replace parts of its drive. One person must change gears from the passenger compartment, and the second must adjust the travel of the shift rods.

The order of work is as follows:

  1. Provide access to the bottom of the car by placing it on a pit or a lift.
  2. Using a 13 mm wrench, loosen the clamp installed on the gear shift rod.
  3. Remove the rod from the box rod.
  4. Using a screwdriver, carefully remove the boot.
  5. Using a 10 mm wrench, unscrew the fixing bolt on the cardan shaft.
  6. Knock off the cardan shaft with light blows of a hammer. It is important not to damage the shaft.
  7. Remove the universal joint seal boot.
  8. If there is an oil leak, the sealing gland on the box rod must be replaced.
  9. Install a new boot (or leave the old one if it is intact) and install the universal joint on the shaft.
  10. Align the hole on the cardan with the notch on the shaft.
  11. Tighten the 10 mm clamp and install the boot completely in place.
  12. Install the rod on the cardan rod and adjust the gearshift lever travel.
  13. The second person should sit in the driver's seat, set the gear shift lever to neutral, move it slightly to the right and hold it in that position.
  14. After this, you need to tighten the 13 mm clamp nut.

Typically, after such a repair, the reverse gear starts to engage without problems. In addition, the operation of the entire gear selection mechanism on the VAZ-2109 becomes clearer.

The video from the author MegaMeyhem shows the process of replacing the backstage.

Changing the gearbox oil

If the oil seal on the rod is damaged, oil leaks out of the gearbox housing, and dirt can get into the box itself. These factors may be the reason why reverse gear stops engaging. In addition, the oil in the box loses its properties during operation, so it must be replaced preventively at least once every 35–40 thousand kilometers. Before replacing, you need to check the condition of the oil in the box. To do this, you need to remove the oil dipstick installed in the gearbox housing and visually assess the quality of the oil. The presence of metal and dirt particles in the oil on the dipstick is unacceptable. The oil itself should be quite liquid and not stick to your hands in a thick layer.

How to Engage Reverse Gear on a VAZ 2114

Like VAZ 2114 engage reverse gear

Box VAZ 2114: device, diagram, repair

VAZ 2114/2115 is distinguished by normal service, equipped with a reliable engine and gearbox. The box for VAZ 2114 / 2115 provides the best performance for your device. In other words, the unique VAZ 2115 box is actually twice the amount of money used.

Design features of the gearbox

VAZ 2114 (restyling of VAZ 2109) operates on the Russian car market, which is equipped with a manual transmission. The peculiarity of this device is that it copes well with the loads that fall there.

Sometimes the box on a VAZ 2114 needs to be serviced. The gearbox on a VAZ includes the following main elements:

  • settling tank;
  • Back cover;
  • gears/gears;
  • differential;
  • shafts;
  • transmission

Manual transmission is divided into the following types:

  • 4-speed;
  • 5 speeds;
  • 6 speeds.

Each of these types of boxes have different supports; drain plugs are installed in different compartments.

Selection of gearbox oil

The oil level should be monitored from time to time; It is recommended to top up as needed. When the car reaches 60,000 kilometers, a complete oil change will be required.

It should be noted that early wear of mechanical components on the VAZ 2114 is caused by a harsh drive or a sharp change in the gear shift lever.

The gearbox for this version of the car works perfectly with GL-4 mineral oil. This helps extend the life of the box. Required parameters: 75W90, 80w85, 85w90. Always choose lubricants for the gearbox; you must take into account the criteria by which the car will be used, and pay attention to the viscosity of the transmission oil.

Needs repair work

The VAZ 2114 gearbox is subject to repair. Typically this procedure involves installing new gears and bearings. Repairing the VAZ 2114 gearbox is advisable if the following manifestations begin to be observed:

  • tightness when operating manually gearbox
    ;
  • knocking noise when changing gears or in a certain gear;
  • if the synchronizer fails, the corresponding crisis may fall;
  • if lubricants have lost their characteristics, an increase in hum (often neutral) is observed.

READ How to Remove the Tail Light of a Skoda Octavia A5

For any of these manifestations, it is recommended to contact a service center to diagnose the entire automatic metering system.

The main stages of removing the box

How to remove the gearbox on a VAZ 2114? To disassemble the box yourself, the driver must equip himself with screwdrivers, nuts, and WD-40 liquid. Stages of dismantling the box:

  1. VAZ can be placed on an overpass.
  2. You need to turn off the battery and remove it.
  3. Pour the oil out of the box.
  4. Removing the starter, protective shell, connecting cable.
  5. They are present on the cruise control sensor, the reverse sensor wiring is disconnected.
  6. The reaction rod bolt must be removed.
  7. Dismantling the all-wheel drive.

Removing the box takes about 5 hours. Reverse assembly.

How to change a manual transmission correctly. Video driving lesson No. 6

In this case, a lesson. list correctly

on a car with a manual transmission.-.

How to change gears on a VAZ, ZAZ

Gearbox lesson .

Thus, in order to increase the capacity of the box installed on a VAZ, the owner of the vehicle must undergo timely maintenance and change the oil. It is recommended to give preference to synthetic oils. If you want to disassemble the gearbox, there is an option without assistance, following our customer's instructions.

VAZ 2115 | Transmission

Gear shift and lever position

Manual box

The position of the gear shift lever is shown on the handle. Lift the ring under the handlebar handle before engaging reverse gear.

When changing gears, fully depress the clutch pedal, then release it slowly. It is not recommended to drive the car with one hand on the gearshift lever; this increases wear on the gearbox.

READ VAZ 2107 How to Remove the Heater

When shifting from fifth to fourth gear, do not push the lever sideways, so engage second gear, which causes the engine to overspeed and damage it.

Before engaging reverse gear, make sure the vehicle is at rest and your foot is not on the gas pedal. Move the lever from neutral to the right until it bends, then lock the rear

move.

The table below shows the speeds at which the next gear should be engaged for maximum fuel economy.

Transmission. Automatic transmission

At the center of the switch lever is an illuminated dial that shows the position markings of the selection ranges.

P ?? Parking R?? rear

move N?? Neutral position

Forward gears:

D?? First. 4th gear 3?? First. 3rd gear 2?? First. 2nd gear 1?? only 1st broadcast

You cannot set the P, R or N position while driving. Resetting the movement position leads to tragedy or damage to the box.

Select lever positions

Depressing the accelerator pedal while the selector lever is moved causes excessive wear on the transmission.

Always keep your foot on the brake pedal to establish the driving position. Keep your hand firmly on the shift lever as this will cause wear to the box.

Gearbox lever

Between the steering gear and acceleration you need to shift for a very short time to change gears.

D ›3 N› RR ›PP› R 3 ›2

This position can only be set when the vehicle is stationary. The lever and junction box are blocked. And perhaps the engine was started.

You prefer this position only when the car is stationary. Press the button on the lever handle.

Before you start, wait a moment to enable it to broadcast

reverse gear.

READ What kind of oil to pour into VAZ 2107 Injector

In this case, the engine position is disconnected from the box. And perhaps the engine was started. Use the handbrake to prevent the vehicle from rolling downhill. To avoid overheating of the engine and gearbox, it is necessary to set N positions for long vehicle stops (for example, in traffic jams). Waiting at a traffic light, position D.

This position is used for everyday driving. The car enters first gear, after which the gears automatically shift between 2nd, 3rd and 4th gears. The switching moment depends on the position of the gas pedal and the speed of movement.

Solving this problem, 4th gear is locked. The car lingers in first gear and then automatically shifts between 2nd and 3rd gears. Position 3 is recommended when driving on zigzag roads and in heavy city traffic. When the lever is moved from position D to position 3, the transmission immediately shifts into 3rd gear, causing a strong engine braking effect. This does not have to be done at speeds above 130 km/h.

This position is recommended when driving on mountain roads. With all this power, the engine is better used and the engine braking effect is increased. The transmission automatically shifts between first and second gears. 3rd and 4th gears are locked.

Moving the lever from position D or from position 3 to position 2.7, switching from third to second gear occurs in advance only at a speed below the set speed, in order to avoid increasing the engine speed to unacceptable values.

This position is recommended when ascending steep slopes and descending from the mine. On the plus side, the engine is effectively braked and constant gear changes are eliminated, which leads to overheating of the water in the gearbox.

Press the gas pedal to the floor (off)

Source

Rating
( 2 ratings, average 4.5 out of 5 )
Did you like the article? Share with friends:
Russian | English